PT 63 * Glass fitting brakett- og hjørneforbinder med stopper
- Elegante dekkapper i polert eller børstet rustfritt stål
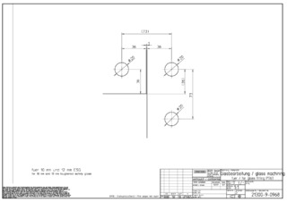
- Enkel tilpasning til glasstyrker på 10 - 12 mm
Bruksområder
- For faste helglassanlegg
- For glasstyrker på 10 og 12 mm
- For bruk inne og utendørs
Produktspesifikasjoner
| PT 63 | |
| Mål | 105 x 32 x 105 mm |
| Bredde | 32 mm |
| Lengde | 105 mm |
| Høyde | 105 mm |
| Glasstykkelse (min.) | 10 mm |
| Glasstykkelse (maks.) | 12 mm |
| Monteringstype | Glassfeste |
Nedlasting
LABELLING OBLIGATION: © GEZE GmbH
Varianter og tilbehør
* Melding om produktet vises
Produktene nevnt overfor kan variere i form, type, egenskaper og funksjon (design, dimensjoner, tilgjengelighet, godkjenninger, standarder osv.) Avhenging av land. For spørsmål, vennligst kontakt din GEZE-kontaktperson eller send oss en E-Mail .